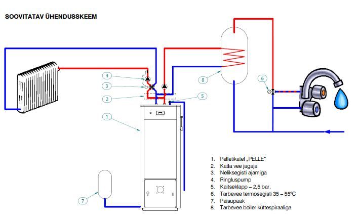
Pelletikatel Pelle 14 kW koos paigaldusega

Pelletikatlamaja seadmete loetelu, hoonele kuni 50 -200 m2

alt

 

Hinnapakkumine pelletikatlamaja Pelle 14  koos paigaldusega

1 tk. Pelle pelletikatla komplekt 14 (isepuhastuv)

Komplektis: Pelle pelletikatel 20 kW, pelletipõleti KIPI Rot Power 16, juhtseade ecoMAX860, etteandetigu 1,8 m ja mahuti 330 l

alt

Võimalik erinev automaatika lisavarustus (Wifi moodul, ruumitermostaat, Lambda andur jms). Lisavarustuse hinnakirja leiad: KIPI lisavarustus

1 tk. Katla korstnaslepe komplekt

Katla ühendamine korstnaga, komplektis põlv 0-90° puhastusluugiga, Korstna tõmberegulaator 10-30 Pa, suitsugaaside bi-metall termomeeter 0-500°C

1 tk. Katla elektriküttekeha 6 kW komplekt

Avariiküte. Komplektis: Kütteelement EFFEKT 6 kW, 435 mm, AISI 304, 2", 3x400/230 V ja reguleerimisseade TY signaallambiga, +(7°C) 30 °C...+85 °C

1 tk. Küttekontuuri segusõlm katlapealne komplekt

A klassi tsirkulatsioonipump, 4 T seguventiil, ventiiliajam ja kuulkraan mudafiltriga.

1 tk. Paisupaak küttesüsteemile 35 l komplekt 

Komplektis: paisupaak, manomeeter, manomeetrikraan ja hooldusliitmik.

1 tk. Sooja tarbeveeboiler 200 l komplekt

Komplektis on 2-süsteemne boiler Sunsystem SWP N 200 l, Ø560 h-1340 mm, soojusvaheti 1,9 m2, el. küttekeha 2 kW ja laadimispump

1 tk. Paisupaak tarbeveeboilerile 18 l komplekt

Komplektis paisupaak, seinakinnitus MB ja hooldusliitmik AirfixControl.

Põhiseadmed kokku  xxxxx  eur

Võimalus valida ka 18 kW või 23 kW katla komplekt:

Pelle pelletikatla komplekt 14, 18 ja 23 kW (isepuhastuv)

 

1 tk. Paigaldus + lisatarvikud (torud, kaablid, liitmikud, termomeetrid, manomeetrid, sulud, õhutusventiilid, kinnitusvahendid jne.), hind xxxx eur

Paigalduse hind võib muutuda,  sõltub objekt asukohast ja hoone seisukorrast. Täpse hinna teeme, kui oleme objektiga kohapeal tutvunud

Hind kokku xxxx eur 

Korstnahülss koos paigaldusega ca xxxx eur

Moodulkorsten koos paigaldusega ca xxxx eur

Pakkumises olev hind xxxxx eur ei sisalda üldehituse-, kanalisatsiooni- ja tuletõkketöid. Pakkumine on tehtud eeldusega, et katlamaja ruum on ette valmistatud ning on piisavalt ruumi seadmete jaoks. Et katlaruumis on olemas tarbe- ja küttevee toruotsad (kollektorid küttekontuuridele ja tarbeveele), veemõõdusõlm, äravoolutrapp ja elektrikilp (vabade kaitseautomatidega). Et on olemas sobiv korsten (tagatud alarõhk 20 Pa) ja värskeõhuava (14 kW puhul min 90 cm²).

Pakkumise koostas:

Hemeltron
Tel: 56665535
e-post: info@hemeltron.ee